lunes, 22 de junio de 2020

El 555 como biestable



Decimos que es biestable ya que puede estar en dos estados diferentes y solo cambiará de estado cuando apliquemos una señal externa.

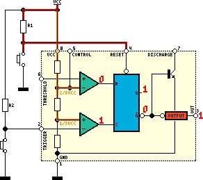
En esta configuración los pins reset y trigger están unidos a la tensión de alimentación VCC a través de las resistencias R1 y R2 haciendo que los pins estén a nivel alto. A su vez hay dos pulsadores que permitirán llevar los pins a GND haciendo que valga 0. Esta configuración se suele llamar pull-up.


En la situación inicial tendremos que reset está inactivo ya que está conectado a VCC a través de la resistencia R1, con lo que el circuito estará activo.

El primer comparador tendrá su entrada negativa (-) con una tensión de 2/3 VCC. La entrada positiva del comparador (pin threshold) está al aire, sin tensión; con lo que la entrada negativa tendrá mayor tensión y su salida será 0.

En el segundo comparador tendremos que la patilla positiva tendrá un tensión de 1/3 VCC mientras que la negativa tendrá un tensión VCC (pin trigger), así que la salida de este comparador será 0.

Por lo tanto las entradas R y S del flip-flop estarán 0, con lo que recuerda su estado anterior y no hace nada, como está recien encendido la salida es 0.



Si pulsamos el interruptor asociado a trigger estaremos provocado  que la tensión en la pata negativa del segundo comparador sea 0v, haciendo que su salida sea 1 y por lo tanto realizando un set del flip-flop con lo que la salida del 555 será 1.


Cuando soltamos el botón asociado a trigger volvemos a estar en la situación inicial, como el flip-flop recuerda en que estado está la salida se queda valiendo uno.


No será hasta que pulsemos el botón asociado a reset que el 555 mantendrá su salida activa. Cuando lo hagamos estamos provocando un reset del flip-flop con lo que salida se pone a 0 y volvemos al estado de partida.

De hay el nombre de biestable, estamos en los niveles 0 o 1 siempre y cuando no actuemos sobre los botones.

No hay comentarios:

Publicar un comentario